
获得俄罗斯 GOST 标准 认证的产品必须加贴相应的符合性标志。这是为了告知产品购买者或监管机构,该产品已通过认证,从而符合既定的质量标准。
目前在俄罗斯使用的认证标志有几种:强制性 GOST 认证、自愿性 GOST 认证,以及符合 俄罗斯技术法规(TR) 或白俄罗斯、俄罗斯及哈萨克斯坦之间的 海关联盟技术法规 的确认标志。
符合性标志应贴于产品或其包装上,也可以用于随附的技术文件,例如使用说明书、安装指南等。
符合性标志能提升潜在客户对产品的信心,从而增加产品需求。制造商有权将该标志用于广告宣传,并可印刷在包装及其他印刷品上。此外,符合性标志也可出现在公司网站上。
以下为不同符合性标志的示例:
新的 GOST 符合性标志

根据2015年6月29日颁布的俄罗斯联邦《标准化法》(联邦法律第62-FZ号)实施框架,为符合俄罗斯 GOST 标准要求的产品引入了新的 GOST 符合性标志。
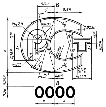
新的 GOST 图形类似于已有的 GOST 标志,由西里尔字母 “P” 和 “T” 组合而成,嵌入字母 “C” 内,设计成测量夹样式,整体为椭圆轮廓:
字符下方需以 “Helvetica” 字体加粗输入所适用的 GOST 标准编号(例如:ГОСТ Р МЭК 61951-2-2007)。
GOST 符合性标志
针对已签发 GOST 认证证书的强制性认证产品,必须贴上相应的 GOST 符合性标志。
GOST 标志的使用受俄罗斯技术监管署(Rosstandart)1994年2月16日第3号决定及 GOST 50460-92 规定约束。
该标志包含颁发 GOST 证书的认证机构信息。
对强制性认证产品进行标识是产品获得市场准入的前提。未经俄罗斯 GOST 标志认证的产品不得销售。
GOST 合格声明标志
已签发 GOST 合格声明 的产品必须加贴 GOST 标志。
与 GOST 标志不同,GOST 合格声明标志不显示认证机构信息。GOST 合格声明只能由进口商签发。
对强制性合格声明产品进行标识是市场准入的前提。未取得俄罗斯 GOST 合格声明的产品不得销售。
TR 符合性标志
根据国家俄罗斯技术法规签发 TR 证书的产品,必须加贴相应的 TR 符合性标志。
强制性 TR 认证的要求由2003年11月19日第696号政府法令规定。
与 GOST 标志不同,TR 符合性标志不显示指定的认证机构信息。
对强制性 TR 认证产品进行标识是市场准入的前提。未经俄罗斯 TR 标志认证的产品不得销售。
自愿性 GOST 认证标志

自愿性 GOST 认证的产品可加贴符合性标志。
自愿性认证标志的使用由俄罗斯技术监管署2000年2月4日第761号决定管理。
与强制性 GOST 标志不同,自愿性认证标志不包含认证机构信息,仅显示“自愿认证”字样。自愿认证完全由申请人自发进行。
自愿认证产品的进口或市场准入不要求必须贴标。